
Silnik SWIFT 480 7.2V
EAN: Kod producenta: GPX/S480BD72V
Producent: GPX Extreme
Prezentujemy nowy model silnika szczotkowego SWIFT 480 marki GPX Extreme.

Prezentowany silnik jest ekwiwalentem silnika SPEED 480 7,2V marki Graupner o numerze kat. 6304.
- Nominalne napięcie: 7,2V
- Zakres pracy (bez przekładni): 4,5-9,6V
- Obroty bez obciążenia: 16900
- Obroty przy max. obciążeniu: 15000
- Pobór prądu bez obciążenia: 0,98A
- Pobór prądu przy obciążeniu: 4,8A
- Moc: 18,65W
- Moment obrotowy: 13 mN-m
- Sprawność: 67,5%A
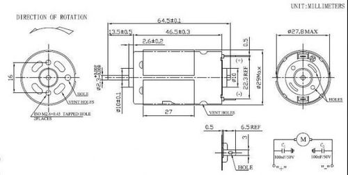
- Średnica wału: 2,3mm
- Długość wału: 11mm
- Średnica korpusu: 27,5mm
- Długość korpusu: 46,5mm
- Długość całkowita: 64,5mm
- Średnica otworów: 17mm
- Waga: 102g