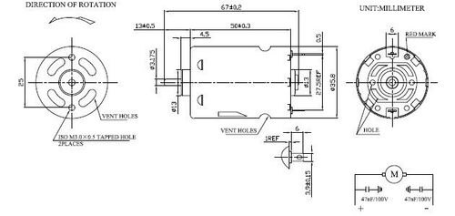
Prezentujemy nowy model silnika szczotkowego o nazwie
SWIFT 500 12V marki GPX Extreme. Jest to
wentylowany silnik o bardzo niskim poborze prądu i szerokim zakresie napięć pracy 4.5V - 12.0V. Idealny do modeli wymagających niskiego poboru prądu np. łodzi zdalnie sterowanych zasilanych akumulatorami żelowymi 6V lub 12V.
Prezentowany silnik jest ekwiwalentem silnika SPEED 500 E 12V marki Graupner o numerze kat. 1788.
Do silnika polecamy
regulator Rocket A1 ESC 60A 2-3S BEC 6V/3A

https://sojkasklep.mysky-shop.pl/images/sojkasklep/1537000-1538000/Silnik-SWIFT-500-12V_[1537085]_1200.jpg
5907773203155
GPX/S500BD12V